DAC39RF10-SP數模轉換器(DAC)TI
發布時間:2024-08-08 09:14:24 瀏覽:1746

DAC39RF10-SP 是TI德州儀器生產的一款具有 16 位分辨率的雙通道和單通道數模轉換器 (DAC)。以下是該產品的詳細介紹:
主要特性:
分辨率:16 位
DAC 通道數:2
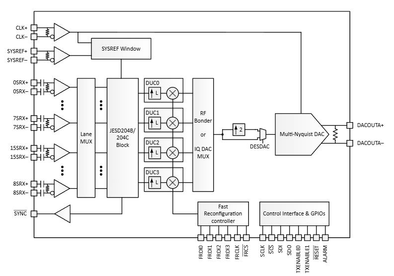
接口類型:JESD204B、JESD204C
采樣/更新速率:10400 Msps(雙通道),20800 Msps(單通道)
插值選項:提供多種插值倍數,包括 128 倍、12 倍、16 倍、192 倍、1 倍、24 倍、256 倍、2 倍、32 倍、3 倍、48 倍、4 倍、64 倍、6 倍、8 倍、96 倍
功耗:典型值為 3800 mW
無雜散動態范圍:85 dB
工作溫度范圍:25°C 到 25°C
應用場景:
直接射頻采樣:能夠在超過 10GHz 的載波頻率下生成高達 10GHz、7.5GHz 和 5GHz 的信號帶寬,支持對 C 帶進行直接采樣。
復數基帶信號生成:適用于生成復雜的基帶信號。
任意波形生成 (AWG):利用高采樣速率和 64 位 NCO 頻率分辨率實現。
直接數字合成 (DDS):支持相位相干的跳頻。
接口和同步:
串行接口:符合 JESD204B 和 JESD204C 標準,具有 16 個接收器對,速率高達 12.8Gbps。
確定性延遲和多器件同步:通過使用 SYSREF 實現。
其他特性:
超高速:適用于需要極高數據速率的應用。
建筑電流源:確保穩定可靠的電流輸出。
引用類型:支持分機和整數類型。
DAC39RF10-SP 是一款適用于高性能射頻和通信系統的高速數模轉換器,能夠滿足復雜信號生成和處理的需求。
推薦資訊
MAX3032E是Maxim公司推出的3.3V四路RS-422發送器,具備±15kV ESD保護、20Mbps高速傳輸和熱插拔功能,靜態功耗低于330μW。其工業級設計支持熱關斷保護,提供16引腳TSSOP/SO封裝,適用于工業自動化(如PLC通信)、高速數據采集及設備串行接口擴展等場景,兼顧高可靠性與低功耗需求。
Gamma High Voltage Research, Inc. 是一家成立于1981年、總部位于美國佛羅里達州奧蒙德海灘的高壓電源和儀器設計與制造公司,擁有超過50年的行業經驗。其產品涵蓋100V至500KV的電壓范圍和1W至6KW的功率范圍,包括高壓電源模塊、高壓分壓器和定制化解決方案,廣泛應用于工業、科學與分析儀器、激光設備以及安全與檢測領域。
在線留言
主站蜘蛛池模板: | | | | | | | | | | | | | | | | | | | | | | | | | | | | | | | | | | | | | | | |